450及以上前卡氣動控制使用說明
NEWS | 2023-08-30 02:42
作者:admin
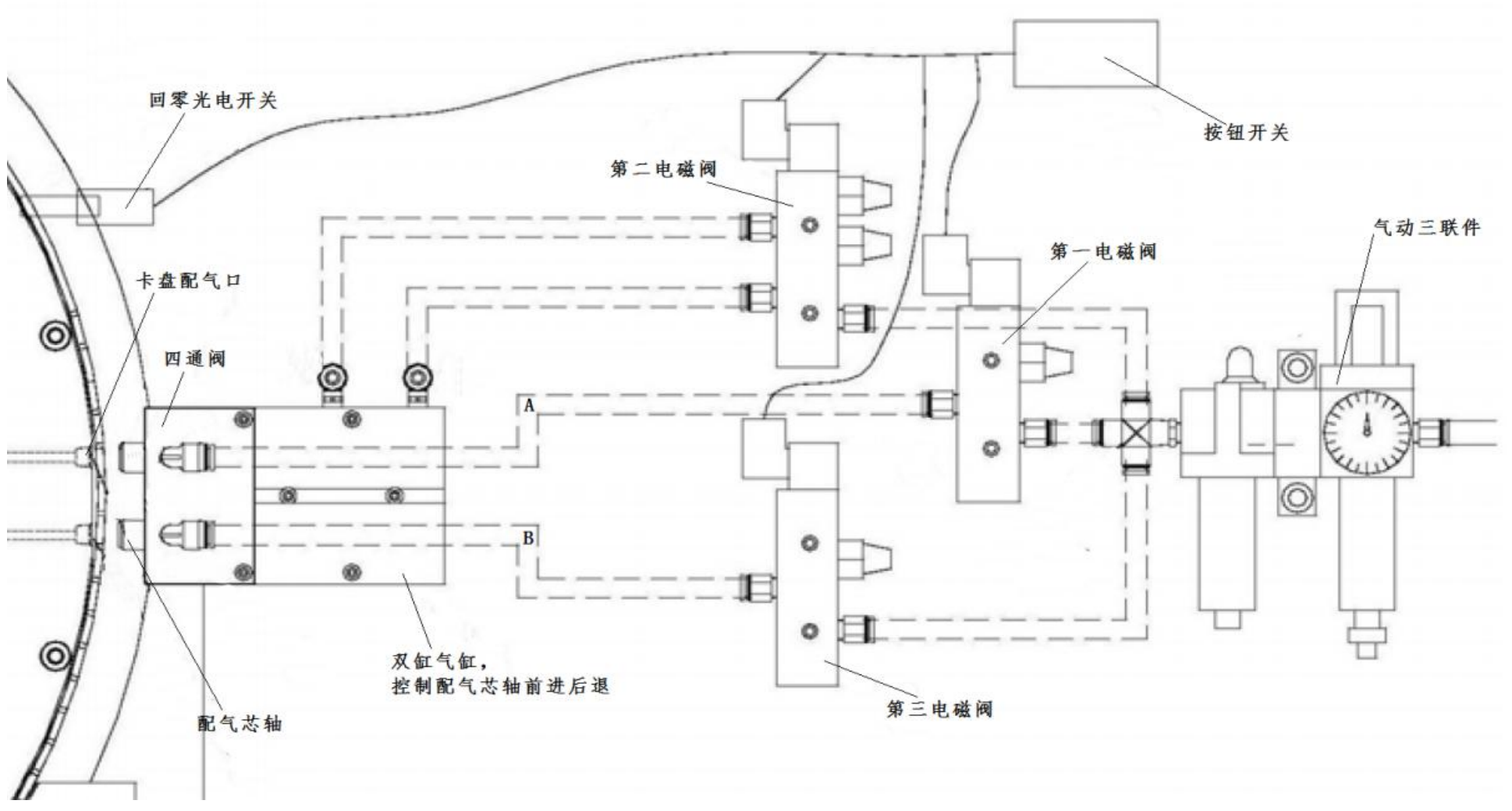
按下圖安裝示意圖連接氣管,按零件的夾持方式(夾持或撐緊)決定A,B進氣管的進出 氣方式,在A,B進氣口接上氣管,安裝完成。 在氣動卡盤側面開有兩個配氣口,配氣系統包括雙缸氣缸、配氣塊、第一電磁閥、第二電 磁閥、第三電磁閥、氣源、四通閥,四通閥分別與氣源的出氣口、第一電磁閥、第二電磁 閥、第三電磁閥連通。 在配氣塊內部安裝有與兩個配氣口一一對應的兩個配氣芯軸,雙缸氣缸的兩個活塞桿分別 一一對應與兩個配氣芯軸連接。 采用側面定點的配氣方式,控制卡盤回零至初始位置,按下電控開關橋接命令,雙缸氣缸 開始向前運動至卡盤側面配氣口,再按下電控開關夾緊命令,向卡盤內部氣缸供氣,至完 成裝夾。裝夾完成后,按下電控開關斷連命令,配氣口離開卡盤配氣口,即可完成整套動 作。反之則是松開卡爪。
